Консольный стационарный ручной кран

Консольный стационарный ручной кран
Консольный стационарный ручной кран
От 2 000 000 тенге
-0%
От 2 000 000 тенге
Заказать
Консольный стационарный ручной кран
Заказать
Артикул:
Базовая
От 2 000 000 тенге
-0%
От 2 000 000 тенге
Цена зависит от курса доллара
Заказать

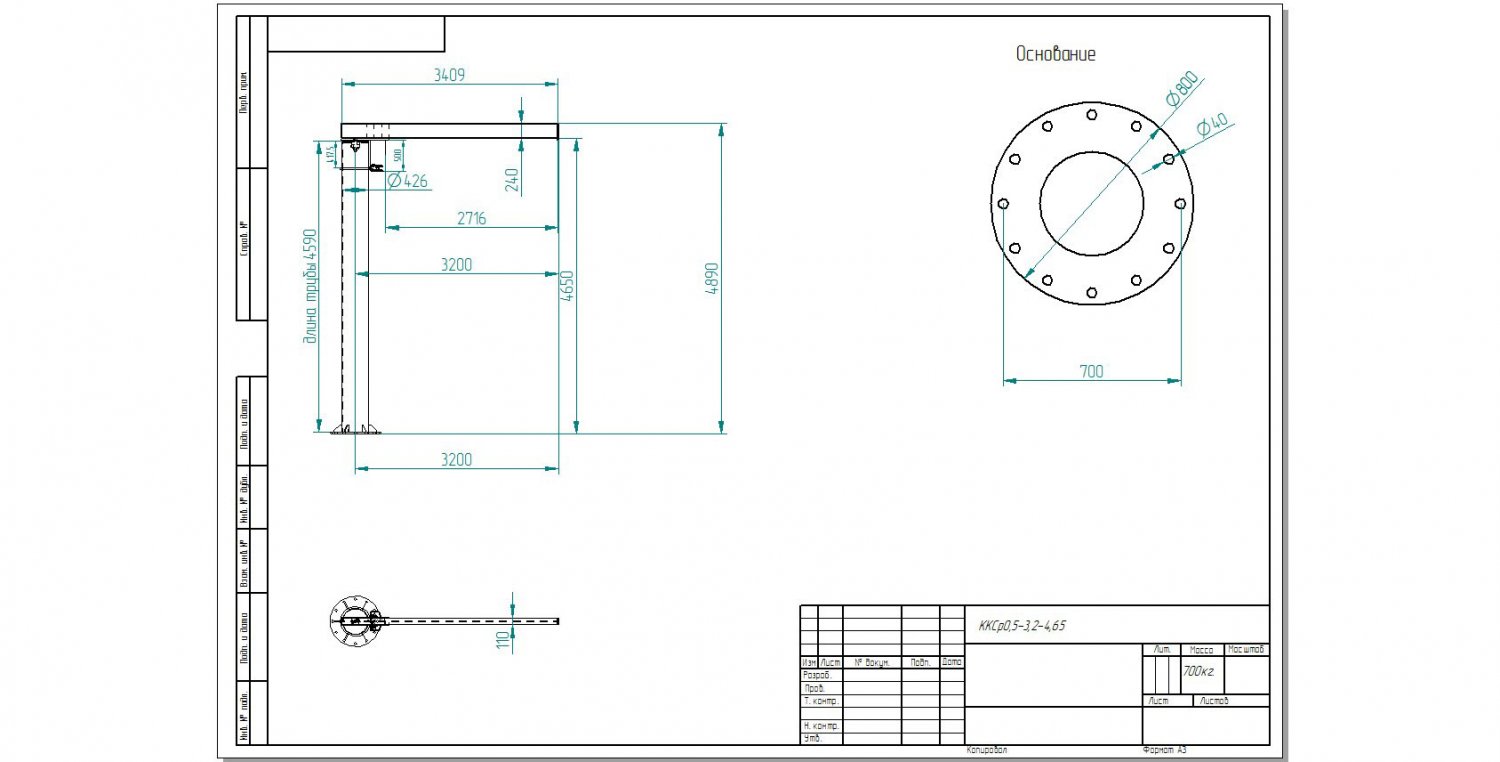
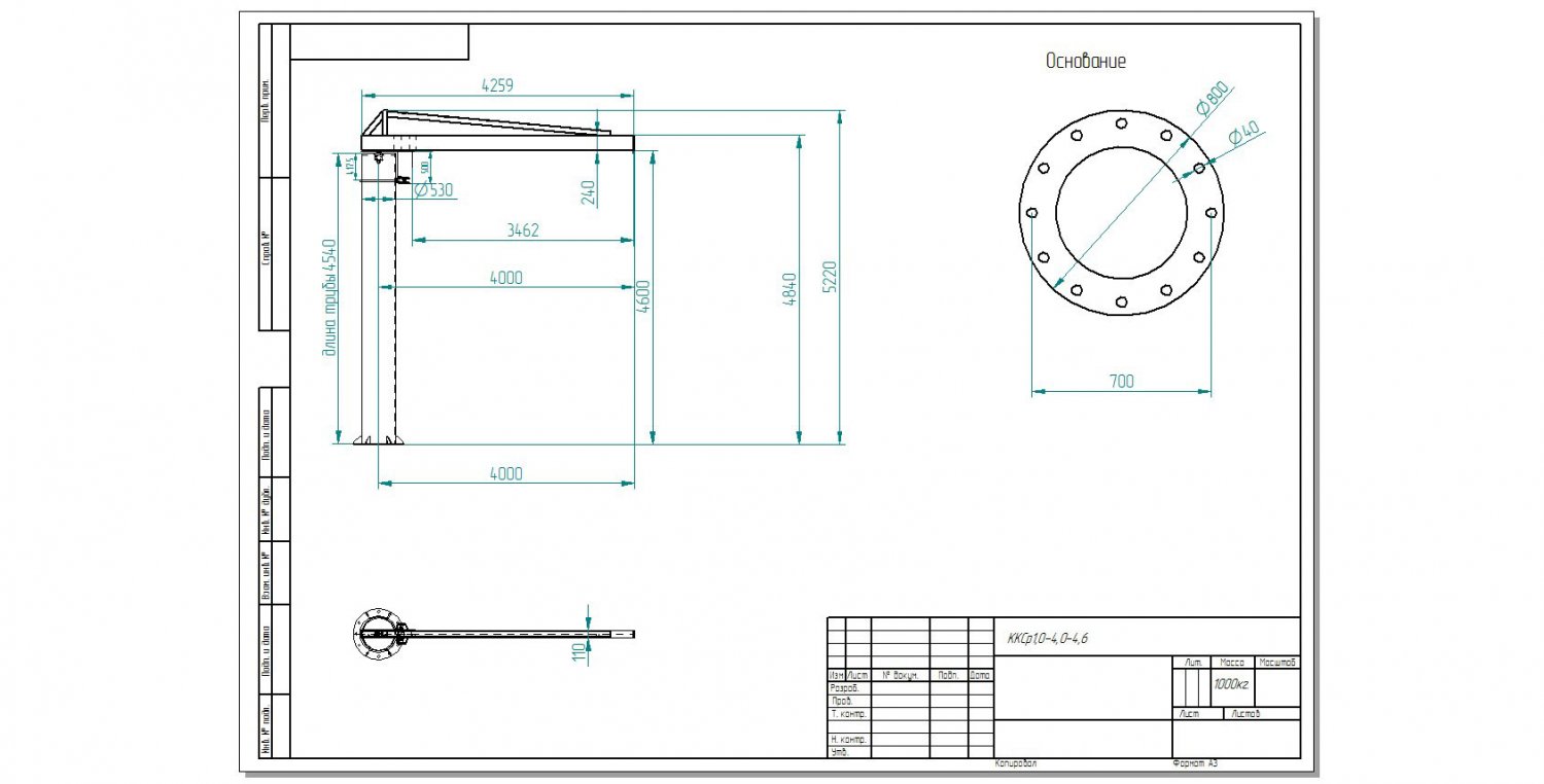
Компания ULS ASIA производит консольные стационарные краны на колонне с ручным управлением, предназначенные для подъема и перемещения грузов весом до  тонн. Эти краны идеально подходят для использования в промышленных цехах и на небольших производственных складах. Благодаря ручному тельферу, такое оборудование оптимально для предприятий с невысокой интенсивностью работы, где сниженный темп подъема компенсируется простотой и надежностью конструкции.

Грузоподъемность, т
от 0,25т до 10т
Тип привода
ручной
Высота подъема, м
до 10м
Режим работы
от A1 (легкий)
Все характеристики
Способы оплаты
Доставка
Описание

Конструкция консольного ручного крана на колонне

Ручной консольный кран на колонне отличается простотой эксплуатации и обслуживания, а также доступной стоимостью. Однако для управления требуется применение физической силы. Поворот стрелы выполняется с использованием ручного привода.

Основные элементы конструкции:

  • Колонна – неподвижная вертикальная опора, закрепленная в фундаменте или на химических анкерах, если поверхность выдерживает необходимые нагрузки.

  • Стрела – горизонтальная металлическая балка, выполняющая функцию консоли, на которой установлен подвижный элемент – тельфер.

  • Тельфер (таль) – грузоподъемный механизм, предназначенный для подъема и перемещения грузов вдоль стрелы.

Характеристики
Грузоподъемность, т
от 0,25т до 10т
Тип привода
ручной
Высота подъема, м
до 10м
Режим работы
от A1 (легкий)
Исполнение
Общепромышленное, Пожаробезопасное, Взрывозащищенное
Температура эксплуатации
От: -20С; -40С до: +40С; +50С; +60С
Категория размещения
У1 (на улице), У2 (под навесом), УЗ (в помещении)
Сейсмоустойчивость
до 9 баллов
Способ управления краном
цепь
Вылет стрелы, м
от 2м до 7м
Консольный стационарный ручной кран